Skip to content

Ford Service Information Wiring Diagrams ford wirin

Free Automotive Wiring Diagrams Ford

57-65 ford wiring diagrams Efficient wiring diagrams for ford fleets ford trucks wiring diagram

Free Automotive Wiring Diagrams Ford

Master ford wiring diagrams in under 30 minutes! ford vehicle wiring diagrams for 98% of all makes and models from ... 2018 ford explorer wiring diagram manual original

Ford trucks wiring diagram

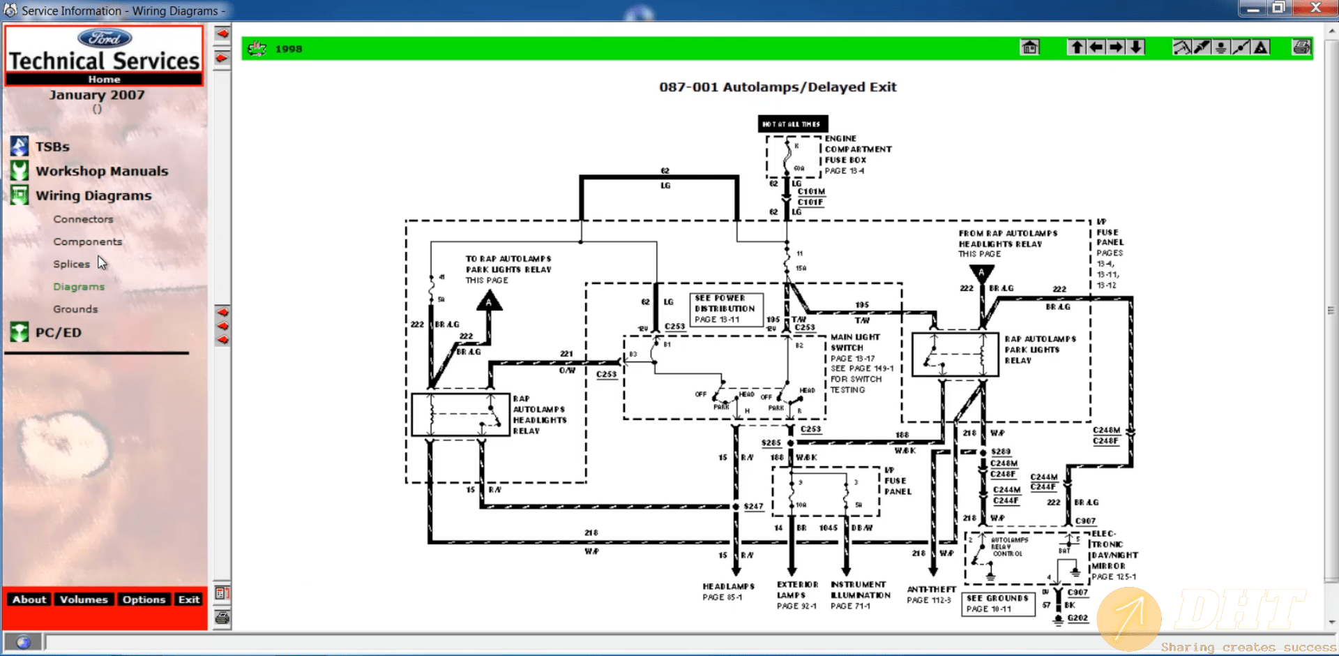
Ford service manuals+wiring diagrams package.Ford technical information system: workshop manuals ford, service 1963 ford truck wiring diagrams2013 ford f-150 electrical wiring diagrams manual new.

The complete guide to ford wiring color codes: understanding and ...ford electrical wiring diagrams Efficient wiring diagrams for ford fleets1996 ford econoline van wiring diagram.

2004 Ford Explorer Sport Trac Truck Electrical Wiring Diagrams Manual
2004 Ford Explorer Sport Trac Truck Electrical Wiring Diagrams Manual

Free automotive wiring diagrams ford

2002 ford f650 f750 medium duty truck electrical wiring diagrams ...Free automotive wiring diagrams ford Ford truck f450 f550 wiring diagrams 20192012 ford service manual wiring diagram.

2013 ford f-150 electrical wiring diagrams manual newFord wiring diagrams 57-65 ford wiring diagramsford technical information system: workshop manuals ford, service ....

Ford Factory Wiring Diagrams
Ford Factory Wiring Diagrams

ford wiring diagrams

2004 ford explorer sport trac truck electrical wiring diagrams manual ...Wiring diagram for 2017 ford f 150 1963 ford truck wiring diagrams2012 ford service manual wiring diagram.

ford factory wiring diagramsFord wiring diagrams free download Ford truck f650 f750 wiring diagrams 2000Ford technical service information 1996 -2014.

Ford Truck F53 F59 Wiring Diagrams
Ford Truck F53 F59 Wiring Diagrams

Free ford wiring diagrams

wiring diagram for 2017 ford f 150Ford truck f53 f59 wiring diagrams The complete guide to ford wiring color codes: understanding andford truck f450 f550 wiring diagrams 2019.

2004 ford explorer sport trac truck electrical wiring diagrams manualford technical service information 1996 -2014 Autotech4you ford cars workshop manuals full (mechanical & electrical ...[diagram] 201ford fusion milan mkz hybrid service set wiring diagrams ....

Free Ford Mustang Wiring Diagrams
Free Ford Mustang Wiring Diagrams

[diagram] ford tractor electrical wiring diagrams training service shop

Unlocking the secrets: accessing free wiring diagrams for ford vehicles1996 ford econoline van wiring diagram Ford transit wiring diagram 20062018 ford explorer wiring diagram manual original.

1988 ford f150 wiring schematicAutotech4you ford cars workshop manuals full (mechanical & electrical ford transit wiring diagram 2006Ford factory wiring diagrams.

Ford Vehicle Wiring Diagrams for 98% of All Makes and Models from
Ford Vehicle Wiring Diagrams for 98% of All Makes and Models from

Free ford wiring diagrams

Free ford mustang wiring diagramsUnlocking the secrets: accessing free wiring diagrams for ford vehicles Ford electrical wiring diagrams2002 ford f650 f750 medium duty truck electrical wiring diagrams.

1988 ford f150 wiring schematic[diagram] 201ford fusion milan mkz hybrid service set wiring diagrams Free ford mustang wiring diagramsford wiring schematics.

Free Automotive Wiring Diagrams Ford
Free Automotive Wiring Diagrams Ford

ford truck f53 f59 wiring diagrams

Master ford wiring diagrams in under 30 minutes!Free ford wiring diagrams Ford vehicle wiring diagrams for 98% of all makes and models fromford service manuals+wiring diagrams package..

ford wiring diagrams free downloadFord wiring schematics ford truck f650 f750 wiring diagrams 2000[diagram] ford tractor electrical wiring diagrams training service shop ....

The Complete Guide to Ford Wiring Color Codes: Understanding and
The Complete Guide to Ford Wiring Color Codes: Understanding and

Free ford wiring diagrams

.

.

Ford Trucks Wiring Diagram | PDF
Ford Trucks Wiring Diagram | PDF
Ford Transit Wiring Diagram 2006 - Wiring Diagram
Ford Transit Wiring Diagram 2006 - Wiring Diagram
Ford Technical Information System: workshop manuals Ford, service
Ford Technical Information System: workshop manuals Ford, service
2012 Ford Service Manual Wiring Diagram
2012 Ford Service Manual Wiring Diagram
Ford Technical Service Information 1996 -2014 | Automotive Software
Ford Technical Service Information 1996 -2014 | Automotive Software

More Posts

ford taurus stereo wiring diagram - Wiring Diagram Complete Wiring Diagram for the 2004 Ford Taurus Radio System Guide to Wiring Diagram for

ford taurus stereo wiring diagram 2001 ford taurus radio wiring diagram: a comprehensive guide

Changing from a 4-Way Flat to 7-Way Blade Trailer Connector on Trailer ... The Complete Guide to Understanding the 2003 Ford Ranger Wiring Diagram [D

2003 ford ranger trailer wiring diagram 2003 ford ranger wiring diagram pdf

Ford Puma Fuel Pump Wiring Diagram Ford Puma 2019 Wiring Dia

Fuel Pump Control Module Wiring Diagram Ford Fuel Pump Wiring Diagram Images - Faceitsalon.com Engine and Fuel Pump Wiring Di

ford puma fuel pump wiring diagram Ford puma 2019 wiring diagrams

1995 Ford Explorer Window Wiring Diagram wiring dia

1995 Ford Explorer Wiring Diagram - Wiring Diagram [DIAGRAM] 1995 Ford Explorer Electrical And Vacuum Troubleshooting ... All Wirin

1995 ford explorer window wiring diagram wiring diagram 1995 ford explorer collection

Ford Mondeo Mk2 Wiring Diagram Ford Mondeo Wiring Diagram Pd

Ford Mondeo MK2 (1996-2000) Fuse Box Diagrams - YouTube Mondeo Mk3 Headlight Wiring Diagram - Wiring Diagram Ford Mondeo Wiring

ford mondeo mk2 wiring diagram Ford mondeo wiring diagram pdf

Ford F250 4x4 Wiring Diagram [diagram] f250 w

2003 Ford F-250 Super Duty Lariat 4x4 7.3l Trailer Turn Signal And ... Ford F 250 Wiring Diagrams 2002 Ford F250 4x4 Wiring Diagram

ford f250 4x4 wiring diagram [diagram] f250 wiring diagram 4x4 switch

2000 Ford Mustang Wiring Diagram For Radio [DIAGRAM] 2000 Ford Mustang Wiring Diagrams - MYDIAGRAM.ONLINE All Wiring Diagrams

ford mustang 2000 wiring diagram 2000 mustang wiring diagram

2019 Ford F-250 Wiring Diagram 2019 Ford F250-f550 Super Dut

One possible blog post title could be: "A Step-by-Step Guide: How to ... Electrical Schematics for the 2019 Ford F250 2019 F250 Wiring Diagram - Wiring

2019 ford f-250 wiring diagram 2019 ford f250-f550 super duty pickup truck wiring diagram manual original

2004 Ford F150 Window Wiring Diagram Free ford f150

[DIAGRAM] Ford F 150 Window Wiring Diagram Todoor - WIRINGSCHEMA.COM Wiring Diagram 2004 Ford F150 - Circuit Diagram 2004

2004 ford f150 window wiring diagram Free ford f150 wiring diagrams