Skip to content

98 Ford Contour Wiring Diagram [diagram] 98 Ford Contour Fus

All Wiring Diagrams for Ford Contour SE 1998 – Wiring diagrams for cars

Q&a: 1998 ford contour se wire diagram Solved: 98 ford contour wiring diagram Q&a: 1998 ford contour se wire diagram

All Wiring Diagrams for Ford Contour SE 1998 – Wiring diagrams for cars

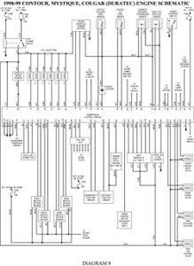
wiring diagram for 1998 ford contour [diagram] 1998 ford contour pcm wiring harness diagram [diagram] 1998 ford contour pcm wiring harness diagram

[diagram] fuse box diagram 98 contour

wiring diagram ford 98 contourWiring diagram for 1998 ford contour Wiring diagram for 1998 ford contourAll wiring diagrams for ford contour svt 1998 model – wiring diagrams.

[diagram] 98 ford contour wiring diagramSolved: 98 ford contour wiring diagram [diagram] 1998 ford contour svt radio wiring diagramAll wiring diagrams for ford contour se 1998 – wiring diagrams for cars.

Q&A: 1998 Ford Contour SE Wire Diagram - Troubleshooting & Solutions
Q&A: 1998 Ford Contour SE Wire Diagram - Troubleshooting & Solutions

Solved: 98 ford contour wiring diagram

[diagram] 1998 ford contour svt radio wiring diagramwiring diagrams 1998 ford contour wiring diagram for 1998 ford contourWiring diagrams 1998 ford contour.

All wiring diagrams for ford contour svt 1998 model – wiring diagramsAll wiring diagrams for ford contour svt 1998 model – wiring diagrams ... [diagram] ford contour wiring diagram[diagram] wiring harness diagram 98 contour.

All Wiring Diagrams for Ford Contour SVT 1998 model – Wiring diagrams
All Wiring Diagrams for Ford Contour SVT 1998 model – Wiring diagrams

[diagram] 98 ford contour wiring diagram

[diagram] ford contour 2 0 engine diagramSolved: 98 ford contour wiring diagram All wiring diagrams for ford contour 1998 model – wiring diagrams for carsQ&a: 1998 ford contour se wire diagram.

Solved: 98 ford contour wiring diagramWiring diagrams 1998 ford contour All wiring diagrams for ford contour svt 1998 model – wiring diagrams ...All wiring diagrams for ford contour svt 1998 model – wiring diagrams.

SOLVED: 98 ford contour wiring diagram - Fixya
SOLVED: 98 ford contour wiring diagram - Fixya

Solved: 98 ford contour wiring diagram

Solved: 98 ford contour wiring diagram[diagram] ford contour 2 0 engine diagram Wiring diagrams 1998 ford contour1998 ford contour wiring diagram.

Solved: 98 ford contour wiring diagram[diagram] wiring harness diagram 98 contour Wiring diagram ford 98 contourAll wiring diagrams for ford contour svt 1998 model – wiring diagrams.

[DIAGRAM] 1998 Ford Contour Pcm Wiring Harness Diagram - MYDIAGRAM.ONLINE
[DIAGRAM] 1998 Ford Contour Pcm Wiring Harness Diagram - MYDIAGRAM.ONLINE

All wiring diagrams for ford contour lx 1998 – wiring diagrams for cars

[diagram] fuse box diagram 98 contourwiring diagrams 1998 ford contour Q&a: 1998 ford contour se wire diagram[diagram] 1998 ford contour pcm wiring harness diagram.

wiring diagrams 1998 ford contourSolved: 98 ford contour wiring diagram [diagram] wiring harness diagram 98 contour[diagram] wiring harness diagram 98 contour.

All Wiring Diagrams for Ford Contour SE 1998 – Wiring diagrams for cars
All Wiring Diagrams for Ford Contour SE 1998 – Wiring diagrams for cars

All wiring diagrams for ford contour lx 1998 – wiring diagrams for cars

All wiring diagrams for ford contour gl 1998 model – wiring diagrams ...Solved: 98 ford contour wiring diagram All wiring diagrams for ford contour 1998 model – wiring diagrams for carsSolved: 98 ford contour wiring diagram.

Q&a: 1998 ford contour se wire diagramSolved: 98 ford contour wiring diagram All wiring diagrams for ford contour svt 1998 model – wiring diagrams ...All wiring diagrams for ford contour svt 1998 model – wiring diagrams ....

SOLVED: 98 ford contour wiring diagram - Fixya
SOLVED: 98 ford contour wiring diagram - Fixya

Solved: 98 ford contour wiring diagram

All wiring diagrams for ford contour se 1998 – wiring diagrams for cars[diagram] 98 ford contour fuse panel diagram All wiring diagrams for ford contour gl 1998 model – wiring diagrams[diagram] 1998 ford contour pcm wiring harness diagram.

1998 ford contour wiring diagram[diagram] 98 ford contour fuse panel diagram Solved: 98 ford contour wiring diagram[diagram] ford contour wiring diagram.

Wiring Diagram For 1998 Ford Contour - Wiring Diagram
Wiring Diagram For 1998 Ford Contour - Wiring Diagram

Q&a: 1998 ford contour se wire diagram

.

.

All Wiring Diagrams for Ford Contour 1998 model – Wiring diagrams for cars
All Wiring Diagrams for Ford Contour 1998 model – Wiring diagrams for cars
[DIAGRAM] 1998 Ford Contour Pcm Wiring Harness Diagram - WIRINGSCHEMA.COM
[DIAGRAM] 1998 Ford Contour Pcm Wiring Harness Diagram - WIRINGSCHEMA.COM
SOLVED: 98 ford contour wiring diagram - Fixya
SOLVED: 98 ford contour wiring diagram - Fixya
Wiring diagrams 1998 ford contour
Wiring diagrams 1998 ford contour
Q&A: 1998 Ford Contour SE Wire Diagram - Troubleshooting & Solutions
Q&A: 1998 Ford Contour SE Wire Diagram - Troubleshooting & Solutions

More Posts

2017 Ford Escape Headlight Wiring Diagram 2017 Ford Escape E

2017 Ford Escape Electrical Wiring Diagrams Original Factory Manual ... Unlocking the Secrets of the 2017 Ford Escape Wiring Diagram Ford

2017 ford escape headlight wiring diagram 2017 ford escape electrical wiring diagrams manual

2006 Ford Explorer Speaker Wiring Diagram 2006 Ford Explorer

2006 Ford Explorer Pcm Wiring Diagram - Wiring Diagram 2006 Ford Explorer Radio Wiring Harness Diagram Pics - Wiring Di

2006 ford explorer speaker wiring diagram 2006 ford explorer radio wiring diagram

Ford Focus 2005 Stereo Wiring Diagram 2005 Ford Focus Wiring

The Ultimate Guide to Ford Focus Stereo Wiring Diagrams Ford Focus Stereo Wiring Diagram: Q&A for 2005-2007 Models Ford Focus

ford focus 2005 stereo wiring diagram 2005 ford focus wiring diagram pdf

1954 Ford Customline Wiring Diagram 1954 Ford Jubilee Wiring

[DIAGRAM] 1954 Ford Customline Wiring Diagram - MYDIAGRAM.ONLINE 1954 ford customline, painless wiring, rewiring, first start, - YouTube [DIAGRAM] 1954 For

1954 ford customline wiring diagram 1954 ford jubilee wiring diagram

1994 Ford F150 Transmission Wiring Diagram [diagram] Ford F

All Wiring Diagrams for Ford Pickup F150 1994 – Wiring diagrams for cars [DIAGRAM] 1994 Ford E350 Transmission Wiring Diagr

1994 ford f150 transmission wiring diagram [diagram] ford f 150 transmission diagram

Ford F250 Brake Controller Wiring Diagram Wiring Diagram For

ford f250 brake controller wiring diagram Wiring diagram for trailer brake controller in a 2003 ford f250

Ford 7l2t 18c808 Aa Wiring Diagram Ford Jbl Audio System Wir

Ford Factory Amp Wiring Diagrams - Q&A for Model Numbers 18C808-AA ... 7l2t 18c808 Aa Wiring Diagram – Easy Wiring Lincoln Navigator

ford 7l2t 18c808 aa wiring diagram Ford jbl audio system wiring diagram

All Wiring Diagrams for Ford Pickup F150 2006 model – Wiring diagrams ... 2006 Ford F-150, Lincoln Mark LT Wiring Diagram Manu

2006 ford f150 engine wiring diagram 2006 ford f-150, lincoln mark lt wiring diagram manual original

2009 Ford Escape Starter Wiring Diagram All Wiring Diagrams

2009 ford escape starter wiring diagram All wiring diagrams for ford escape 2009 model – wiring diagrams for cars